Двутавровая сварная балка 40К4
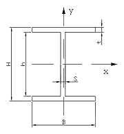
| H - высота балки |
| h - высота стенки |
| s - толщина стенки |
| t - толщина полки |
| B - ширина полки |
Описание
| Сорто-размер | Двутавровая сварная балка 40К4 | |
| Типо-размер | Двутавр сварной широкополочный | |
| Геометрические размеры | H | 414 мм |
| h | 354 мм | |
| s | 18 мм | |
| B | 405 мм | |
| t | 30 мм | |
| Справочные величины для осей | Ix | 96416,05 см4 |
| Wx | 4657,78 см3 | |
| ix | 17,73 см | |
| Iy | 33232,267 см4 | |
| Wy | 1641,1 см3 | |
| iy | 10,409 см | |
| Аналог по ГОСТ | СТО АСЧМ 20-93 | |
| Масса погонного метра балки | 244,386 кг. | |
| Масса балки стандартной длины 12м. | 2,932 тн. | |
В таблице использованы следующие значения:
I - момент инерции; W - максимальный момент сопротивления; i - радиус инерции.