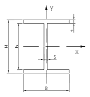
Двутавровая сварная балка 40К1
| H - высота балки |
| h - высота стенки |
| s - толщина стенки |
| t - толщина полки |
| B - ширина полки |
Описание
| Сорто-размер | Двутавровая сварная балка 40К1 | |
| Типо-размер | Двутавр сварной широкополочный | |
| Геометрические размеры | H | 394 мм |
| h | 358 мм | |
| s | 12 мм | |
| B | 398 мм | |
| t | 18 мм | |
| Справочные величины для осей | Ix | 55267,84 см4 |
| Wx | 2805,474 см3 | |
| ix | 17,227 см | |
| Iy | 18918,593 см4 | |
| Wy | 950,683 см3 | |
| iy | 10,079 см | |
| Аналог по ГОСТ | СТО АСЧМ 20-93 | |
| Масса погонного метра балки | 148,391 кг. | |
| Масса балки стандартной длины 12м. | 1,780 тн. | |
В таблице использованы следующие значения:
I - момент инерции; W - максимальный момент сопротивления; i - радиус инерции.